engine revs itself when idling
My engine occasionally revs itself when idling, typically happens when it got warm
Have not been able to find any info regarding this on the forum, maybe a not so common issue ..
Was thinking if it could be the idling control valve, and if so how to check it, and also if a bad one would throw any code?
Haven’t noticed anything while driving as when standing still by the traffic light, but overall have done very little city driving since I bought the car
Have not been able to find any info regarding this on the forum, maybe a not so common issue ..
Was thinking if it could be the idling control valve, and if so how to check it, and also if a bad one would throw any code?
Haven’t noticed anything while driving as when standing still by the traffic light, but overall have done very little city driving since I bought the car
Googling around and I found threads in a LS forum on similar issues, seems like a not so uncommon problem on the LT1, but complex as it can be a number of things causing it, and the threads I found didn’t point in any particular direction
In my case the car drives perfect and performs well, just annoying when it struggles to regulate itself standing idling, and the idling never gets rough (too low), it just revs itself a little, like being bored.
So far I have replaced the water pump temp sensor, and cleaned the throttle body, after doing the latter I got a P0100 code (mass or volume air flow circuit) that went away almost right away.
Think I start looking for vacuum leaks using startspray, elbow rubber is a bit torn underneath where it connects to the engine, but I think it should be tight when the clamp is tensioned.
Question: Could a vacuum leak somehow lead to the car try to compensate for that by regulate the idling? but if so, why only when engine gets warm?
In my case the car drives perfect and performs well, just annoying when it struggles to regulate itself standing idling, and the idling never gets rough (too low), it just revs itself a little, like being bored.
So far I have replaced the water pump temp sensor, and cleaned the throttle body, after doing the latter I got a P0100 code (mass or volume air flow circuit) that went away almost right away.
Think I start looking for vacuum leaks using startspray, elbow rubber is a bit torn underneath where it connects to the engine, but I think it should be tight when the clamp is tensioned.
Question: Could a vacuum leak somehow lead to the car try to compensate for that by regulate the idling? but if so, why only when engine gets warm?
Fourth Generation Moderator
October 2009 ROTM
October 2009 ROTM
iTrader: (1)
Joined: Nov 2007
Posts: 10,560
From: Eastern PA,
ROTM Winner's Club
IMO cleaning the IAC and the EGR should be part of routine maintenance every 30,000 miles. I also like to retorque the intake/throttle body. Do not over tighten it Set you torque wrench to the max value of the spes or 5 lbs under and if it does not turn then it is ok. . This will give you a staring point. Look up the GM IAC homing process on Youtube. This will home the IAC right away after you have cleaned it. If you don’t us the IAC homing process the IAC will lean home on it own in a few days of driving.
The only way I know to check to see if the IAC is causing the issue you need a scan tool. You can plug the small hole right before the throttle bottle. The car should shut off. If it still running the the motor is getting air from some other source. If the PCM is try to close the IAC and there is no change in the engine RPMs then it is either bad, slow or real dirty. You can also use an oscilloscope but if you don’t have access to a scan tool I doubt you can get a scope.
All the engine needs to increase RPM is air. Any vacuum leak or any failure to anything that is plugged into manifold vacuum system will cause a RPM increase. They can be challenging to find. If you can get the RPMs high you can plug the PCV valves and the brake booster to verify its not them.
There are some situation when the PCM could speed up the motor. If the car is seeing low voltage, or it is getting cold the PCM could bump the idle. I am not sure what year they started that. Also if the engine is going in and out of closed loop it the effects of the will vary the RPMs.
The only way I know to check to see if the IAC is causing the issue you need a scan tool. You can plug the small hole right before the throttle bottle. The car should shut off. If it still running the the motor is getting air from some other source. If the PCM is try to close the IAC and there is no change in the engine RPMs then it is either bad, slow or real dirty. You can also use an oscilloscope but if you don’t have access to a scan tool I doubt you can get a scope.
All the engine needs to increase RPM is air. Any vacuum leak or any failure to anything that is plugged into manifold vacuum system will cause a RPM increase. They can be challenging to find. If you can get the RPMs high you can plug the PCV valves and the brake booster to verify its not them.
There are some situation when the PCM could speed up the motor. If the car is seeing low voltage, or it is getting cold the PCM could bump the idle. I am not sure what year they started that. Also if the engine is going in and out of closed loop it the effects of the will vary the RPMs.
Last edited by Gorn; Oct 22, 2024 at 08:42 AM.
Thanks so much for sharing useful info and your own thoughts
Inspect the IAC seems like a good starting point and also a torque check om the TB, on the later it could make sense the problem appears when engine gets warm if not properly tightened..
Regarding scan tool I use a OBD Link MX+ dongle that can monitor some engine parameters apart from showing codes
Inspect the IAC seems like a good starting point and also a torque check om the TB, on the later it could make sense the problem appears when engine gets warm if not properly tightened..
Regarding scan tool I use a OBD Link MX+ dongle that can monitor some engine parameters apart from showing codes
Fourth Generation Moderator
October 2009 ROTM
October 2009 ROTM
iTrader: (1)
Joined: Nov 2007
Posts: 10,560
From: Eastern PA,
ROTM Winner's Club
For the IAC there should be a step value, 0-100. It would help if you can see those numbers live. If the RPMs go high and the step value goes down then the IAC is being told to slow it down. This would tell you the you either have a lazy IAC or Vacuum is coming from someplace. If you see the Count go up they the computer is telling the IAC to do it. That is a either normal or a bad PCM or a bad sensor.
For the IAC there should be a step value, 0-100. It would help if you can see those numbers live. If the RPMs go high and the step value goes down then the IAC is being told to slow it down. This would tell you the you either have a lazy IAC or Vacuum is coming from someplace. If you see the Count go up they the computer is telling the IAC to do it. That is a either normal or a bad PCM or a bad sensor.
I will investigate if my OBD scanner can monitor the IAC value
Saw a guy on youtube with the same issue that disconnected the MAF and the phenomena went away, then cleaned the MAF and the problem was solved, in his case though the engine light was on, likely due to dirty MAF
Fourth Generation Moderator
October 2009 ROTM
October 2009 ROTM
iTrader: (1)
Joined: Nov 2007
Posts: 10,560
From: Eastern PA,
ROTM Winner's Club
Unplugging the MAF sensor . The MAF sensor is a very critical sensor. When you disconnect the MAF sensor the PCM goes into open loop and will set the MAF code (I think it is low voltage). Most sensor data is ignored at that point. So if a car is running poorly and gets better when you disconnect the MAF that mean something up in the computers system. Of course it can be the MAF sensor but it could be the air temp or the engine temp. If it on acceleration it could be the MAP sensor. If the car still runs poorly that mean you need to look at ignition or fuel. You would not see this test in a manual as it is not 100% accurate. I think it more of a time saver. Although one time I grabbed the MAF connector to unplug it and the engine instantly changes before it was unplugged. It was a bad MAF connector 
Sensor can be in range but not accurate. This would cause the car to run poorly but not set a check engine light. I have had a few older car have an issue with the 5 volt reference down stream that cause most of the sensors to read inaccurately.
One thing I like to do is check the air temp value it should be close to the air temp at your house say withing 2 degs. That will let you know if the 5v signal is messing with anything and there is little chance the issue is a PCM ground. Assuming its accurate.

Sensor can be in range but not accurate. This would cause the car to run poorly but not set a check engine light. I have had a few older car have an issue with the 5 volt reference down stream that cause most of the sensors to read inaccurately.
One thing I like to do is check the air temp value it should be close to the air temp at your house say withing 2 degs. That will let you know if the 5v signal is messing with anything and there is little chance the issue is a PCM ground. Assuming its accurate.
Last edited by Gorn; Oct 23, 2024 at 03:17 PM.
Took the car to work this Friday as the weather is still decent, and when coming home I had it stand idling on the driveway for about 10-15 min while checking transmission oil and some other stuff.
The temp gauge was up in the middle (a bit higher than when normal driving) and the idling was better than perfect, with no tendency to rev itself at all!
I then took the car for a spin and did a couple of WOTs and returned to my driveway, now the rev itself phenomena was back BIG TIME, worse than ever before going up to 2000rpm occasionally.
I had hooked up my OBDII dongle and was hopping to be able to monitor some of the IAC and MAF activity, but sadly it wasn’t able to monitor anything at all, briefly disconnected the MAF but it didn’t seem to affect the revving, I also sprayed some starter gas around the TB area to catch any possible vacuum leak there.
As the WOTs seem to be waking up the problem, in my head something is jamming somewhere, possibly due to dirt moving around
So plan to clean up the MAF with that special spray for the purpose, and also the IAC, to access the later I guess it will be easiest to take the TB housing off and clean up the whole unit (is there good thread about that somewhere?), maybe even do a cooling bypass while at it , and possibly also have look at the EGR.
I’m gone have a new conv top installed at a shop up north in the December, so don’t want to risk messing anything up preventing me getting the car to them, so will play it safe with the trouble shooting
The temp gauge was up in the middle (a bit higher than when normal driving) and the idling was better than perfect, with no tendency to rev itself at all!
I then took the car for a spin and did a couple of WOTs and returned to my driveway, now the rev itself phenomena was back BIG TIME, worse than ever before going up to 2000rpm occasionally.
I had hooked up my OBDII dongle and was hopping to be able to monitor some of the IAC and MAF activity, but sadly it wasn’t able to monitor anything at all, briefly disconnected the MAF but it didn’t seem to affect the revving, I also sprayed some starter gas around the TB area to catch any possible vacuum leak there.
As the WOTs seem to be waking up the problem, in my head something is jamming somewhere, possibly due to dirt moving around
So plan to clean up the MAF with that special spray for the purpose, and also the IAC, to access the later I guess it will be easiest to take the TB housing off and clean up the whole unit (is there good thread about that somewhere?), maybe even do a cooling bypass while at it , and possibly also have look at the EGR.
I’m gone have a new conv top installed at a shop up north in the December, so don’t want to risk messing anything up preventing me getting the car to them, so will play it safe with the trouble shooting
Fourth Generation Moderator
October 2009 ROTM
October 2009 ROTM
iTrader: (1)
Joined: Nov 2007
Posts: 10,560
From: Eastern PA,
ROTM Winner's Club
Like I said earlier next time if you catch it doing it plug the hole just outside of throttle plate. That is where the IAC gets it air from to keep the engine running. It should be no worse then plugging a vacuum line. If the car stalls (normal) then you have some kind of EFI issue. (all the air is going through the IAV valve) If the car still runs it is getting air from somewhere. That little hole is the only place air should get into the engine besides the throttle plates. Might be a good time to make sure the Throttle body is closing all the way. You can also just block off the throttle body with a pc of sheet metal. It should have the same stalling effect.
What is suppose to happen is as you push the throttle the IAC valve should start to close as soon as the throttle opens. By the time you you hit 1200 RPM the IAC valve should be closed or closing. It can get stuck but I have never seen one open farther. I have seen throttle bodies stick after hot. Also there is hot, then there is heat soaked. There is a difference between the coolant temp and the under hood temp. At high speed the air flow is more than enough to keep the under hood temps at or below coolant temps. Going slow and pushing the engine hard can make under hood temp crazy hot. If you go to a burn out contest you can see heat coming off the hood like you are in the desert. I am not saying your car is getting that hot just that it is hotter under the hood and that could be a factor in vacuum leaks or IAC or throttle body issues.
Do not worry about WOT. That is just a different fuel mapping that is richer once your throttle position sensor shows the throttle is push more then 80%. It can not really "stick" in WOT mode. If you make it richer at that low of an RPM it is more likely to cause a further drop in RPMs. Rich can allow for a little more timing and make your car a little faster. Normally emissions people would say no way but at 80% throttle the government acknowledges in some cases going fast can avoid accidents. So it is consider a safety function. ( it is also why you can get away with a 50 shot of NO2 without adding any fuel modes. You just need to add a WOT only switch to the dry NO2 system. )
With EFI Any kind of high RPMs almost always come back to uncontrolled air. To carb guys that seem backwards cause lean and rich would both drop RPMs. Perfect fuel mixture gets the highest RPM and strongest vacuum. But with EFI the air gets in some how than the O2 sensors pick up the lean mixture and adds more gas. The RPMs are only limited by how much air can get in. That means there are 20 different thing that cause the exact same result. Tracking it down is sometimes obvious and some times a huge pain. I remember the first time I had a EFI car with a bad brake booster. That car drove me crazy.
What is suppose to happen is as you push the throttle the IAC valve should start to close as soon as the throttle opens. By the time you you hit 1200 RPM the IAC valve should be closed or closing. It can get stuck but I have never seen one open farther. I have seen throttle bodies stick after hot. Also there is hot, then there is heat soaked. There is a difference between the coolant temp and the under hood temp. At high speed the air flow is more than enough to keep the under hood temps at or below coolant temps. Going slow and pushing the engine hard can make under hood temp crazy hot. If you go to a burn out contest you can see heat coming off the hood like you are in the desert. I am not saying your car is getting that hot just that it is hotter under the hood and that could be a factor in vacuum leaks or IAC or throttle body issues.
Do not worry about WOT. That is just a different fuel mapping that is richer once your throttle position sensor shows the throttle is push more then 80%. It can not really "stick" in WOT mode. If you make it richer at that low of an RPM it is more likely to cause a further drop in RPMs. Rich can allow for a little more timing and make your car a little faster. Normally emissions people would say no way but at 80% throttle the government acknowledges in some cases going fast can avoid accidents. So it is consider a safety function. ( it is also why you can get away with a 50 shot of NO2 without adding any fuel modes. You just need to add a WOT only switch to the dry NO2 system. )
With EFI Any kind of high RPMs almost always come back to uncontrolled air. To carb guys that seem backwards cause lean and rich would both drop RPMs. Perfect fuel mixture gets the highest RPM and strongest vacuum. But with EFI the air gets in some how than the O2 sensors pick up the lean mixture and adds more gas. The RPMs are only limited by how much air can get in. That means there are 20 different thing that cause the exact same result. Tracking it down is sometimes obvious and some times a huge pain. I remember the first time I had a EFI car with a bad brake booster. That car drove me crazy.
Like I said earlier next time if you catch it doing it plug the hole just outside of throttle plate. That is where the IAC gets it air from to keep the engine running. It should be no worse then plugging a vacuum line. If the car stalls (normal) then you have some kind of EFI issue. (all the air is going through the IAV valve) If the car still runs it is getting air from somewhere. That little hole is the only place air should get into the engine besides the throttle plates. Might be a good time to make sure the Throttle body is closing all the way. You can also just block off the throttle body with a pc of sheet metal. It should have the same stalling effect.
What is suppose to happen is as you push the throttle the IAC valve should start to close as soon as the throttle opens. By the time you you hit 1200 RPM the IAC valve should be closed or closing. It can get stuck but I have never seen one open farther. I have seen throttle bodies stick after hot. Also there is hot, then there is heat soaked. There is a difference between the coolant temp and the under hood temp. At high speed the air flow is more than enough to keep the under hood temps at or below coolant temps. Going slow and pushing the engine hard can make under hood temp crazy hot. If you go to a burn out contest you can see heat coming off the hood like you are in the desert. I am not saying your car is getting that hot just that it is hotter under the hood and that could be a factor in vacuum leaks or IAC or throttle body issues.
Do not worry about WOT. That is just a different fuel mapping that is richer once your throttle position sensor shows the throttle is push more then 80%. It can not really "stick" in WOT mode. If you make it richer at that low of an RPM it is more likely to cause a further drop in RPMs. Rich can allow for a little more timing and make your car a little faster. Normally emissions people would say no way but at 80% throttle the government acknowledges in some cases going fast can avoid accidents. So it is consider a safety function. ( it is also why you can get away with a 50 shot of NO2 without adding any fuel modes. You just need to add a WOT only switch to the dry NO2 system. )
With EFI Any kind of high RPMs almost always come back to uncontrolled air. To carb guys that seem backwards cause lean and rich would both drop RPMs. Perfect fuel mixture gets the highest RPM and strongest vacuum. But with EFI the air gets in some how than the O2 sensors pick up the lean mixture and adds more gas. The RPMs are only limited by how much air can get in. That means there are 20 different thing that cause the exact same result. Tracking it down is sometimes obvious and some times a huge pain. I remember the first time I had a EFI car with a bad brake booster. That car drove me crazy.
What is suppose to happen is as you push the throttle the IAC valve should start to close as soon as the throttle opens. By the time you you hit 1200 RPM the IAC valve should be closed or closing. It can get stuck but I have never seen one open farther. I have seen throttle bodies stick after hot. Also there is hot, then there is heat soaked. There is a difference between the coolant temp and the under hood temp. At high speed the air flow is more than enough to keep the under hood temps at or below coolant temps. Going slow and pushing the engine hard can make under hood temp crazy hot. If you go to a burn out contest you can see heat coming off the hood like you are in the desert. I am not saying your car is getting that hot just that it is hotter under the hood and that could be a factor in vacuum leaks or IAC or throttle body issues.
Do not worry about WOT. That is just a different fuel mapping that is richer once your throttle position sensor shows the throttle is push more then 80%. It can not really "stick" in WOT mode. If you make it richer at that low of an RPM it is more likely to cause a further drop in RPMs. Rich can allow for a little more timing and make your car a little faster. Normally emissions people would say no way but at 80% throttle the government acknowledges in some cases going fast can avoid accidents. So it is consider a safety function. ( it is also why you can get away with a 50 shot of NO2 without adding any fuel modes. You just need to add a WOT only switch to the dry NO2 system. )
With EFI Any kind of high RPMs almost always come back to uncontrolled air. To carb guys that seem backwards cause lean and rich would both drop RPMs. Perfect fuel mixture gets the highest RPM and strongest vacuum. But with EFI the air gets in some how than the O2 sensors pick up the lean mixture and adds more gas. The RPMs are only limited by how much air can get in. That means there are 20 different thing that cause the exact same result. Tracking it down is sometimes obvious and some times a huge pain. I remember the first time I had a EFI car with a bad brake booster. That car drove me crazy.
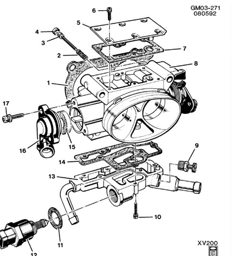
Is the Throttle plate the one on the top with six screw holes? And the hole is in that neighborhood?
Regarding Throttle body closing all the way, I did a clean up with some brake cleaner and toothbrush while having the elbow hose off, so that should be good
And see your point regarding that things might expand when the engine gets really HOT (as from my WOTs exercise) causing IAC or throttle body issues.
Are you familiar with using start spray to detect vacuum leaks?
As it contains ether which is very explosive the engine responds rather immediately when suck in somewhere along any vacuum line, connection point etc
I haven’t done it much myself but heard about people doing it, but also about it might be dangerous to some components ….
I explored the market on IACs and TPSs and was stunned over the big variety in brands and prices, so went ahead and bought both of them from a vendor called A-Premium parts.
Figure I’m gone do a proper maintenance on the TB regardless of reason for the problem I’m currently having, and replacing 28 years old not too expensive components makes sense anyway, also ordered two new TB gaskets locally.
Think I also need to replace some of the smaller vacuum hoses in the TB area that look rather dried out, the little s-shaped one will be tricky to find I can imagine....


